;
Cylinderfallås ASSA 6580

Cylinderfallås ASSA
6580

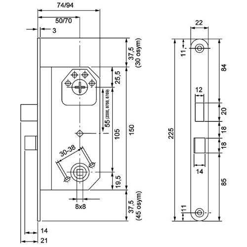
Användningsområde: Låshus för entrédörrar och portar försedda med draghandtag, dörrstängare alt. dörrautomatik.
Egenskaper: Med cylinderfall. Automatisk förregling av cylinderfall. Kan erhållas med inbyggd mikrobrytare. Uppställningsbar cylinderfall. Vändbart fall för alternativ dörrhängning. Kan erhållas med 70 mm dorndjup. Kan kombineras med elektriska slutbleck.
Funktion: Cylinder dras in med vred. Uppställningsmekanismen är placerad i stolpen med följande funktioner: Saknar förreglingsfunktion. Cylinderfallet ställs upp med uppställningsnyckel.

BIG-artnr
17898487
Modell
6580/50 PP
Typ
Sym Vänster
Enhet
ST
Förp
1
Beskrivning
Låshus 6580 sym vänster

2 artiklar

Filtrera

17898487 6580/50 PP Sym Vänster Blankförzinkad
17898461 6580/50 PP Sym Höger Blankförzinkad
Testing...
Markerade fält måste fyllas i!
E-postadressen felaktigt angiven!
Vi tackar f¨r mailet, och tar kontakt med dig sänart vi kan.
Något gick fel, och meddelandet kunde inte levereras!
Aktuell produkt är inte lagerlagd; välj en annan produkt.
Det finns inga varor i kundvagnen!
Ändringarna i kundvagnen måste sparas eller ångras innan ordern kan läggas!
En eller flera artiklar saknar obligatorisk textrad!
Ange ett namn på listan!
Vill du ta bort den valda inköpslistan?
Orsak till borttaget måste anges!
Vill du attestera och verkställa ordern?
Vill du neka och makulera ordern?
Artikelsökning
Om flera konton finns
Lösenordet är inte korrekt bekräftat!
BIG-Gruppen Rikskund
För att användarkontot ska kunna läggas upp måste en kontoansökan fyllas i, skrivas under med namnteckning och skickas in till oss. Använd knappen längst ner på sidan för att öppna kontoansökan i ett nytt fönster!
{0} artikelrad(er) har lagts i kundvagnen.
Antalsinformation felaktigt angiven!
Vill du ta bort alla artiklar från kundvagnen?
Innehållet i punchout-ordern kommer att placeras i kundvagnen och ersätta kundvagnens nuvarande innehåll. Vill du fortsätta?
Vill du avbryta hanteringen av denna punchout-order?
App-ordern kommer att placeras i kundvagnen och ersätta kundvagnens nuvarande innehåll. Vill du fortsätta?
Vill du avsluta hanteringen av denna app-order?
Artikeln finns ej!
Betalningen avbruten av användaren, ordern ej lagd!
Artikeln kommer att tas bort permanent från inköpslistan. Vill du fortsätta?
Artiklarna kommer att tas bort permanent från inköpslistan. Vill du fortsätta?
Ta bort artikeln från kundvagnen?
Vill du hämta den sparade kundvagnen och ta bort den från listan? Den befintliga kundvagnen kommer att tömmas, och ersättas med innehållet i den sparade kundvagnen.
Vill du ta bort den sparade kundvagnen?
Ange del av kundnamn eller kundnummer på två eller fler tecken!
Ditt köp kan inte genomföras; ransonbeloppet är överskridet.
1 artikel har lagts i kundvagnen
artikelrad(er) har lagts i kundvagnen.
260320042622
Finns men okänt
/katalog/sokfts/

Logga in

Välkommen

Som inloggad kan du handla hos oss och se priser.

Bruten förpackning

Vi föreslår ett annat antal för att köpa en hel förpackning.

Du har valt att köpa 0 .
En hel förpackning innehåller 0 .

0