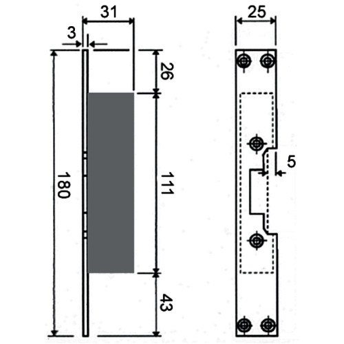
Monteringsstolpe SOLID
505, 510, 520
Användningsområde: Monteringsstolpe 505 kan användas i stål- och aluminiumkarmar. 510 i trä-, stål- och aluminium. 520 i isolerade aluminiumkarmar tillsammans med förreglade fallås.
Funktion: Valet av stolpe avgörs av ett flertal olika faktorer, som tillsammans ger den optimala kombinationen av dörr/lås/stolpe.
En av de vikigaste faktorerna är hur själva dörren är utformad. Materialet på karmen/dörrbladet kan variera, t.ex. trä, aluminium eller stål, och dörrens profil (ofalsad/falsad) måste beaktas.
För att kunna välja elslutbleck och monteringsstolpe måste Du också veta vilken typ av mekaniskt lås som används, om det är ett enkel- eller dubbelfallslås samt hur stort plösmåttet mellan dörrbladets framkant till låsets kolv är.
Särskilda normer för brandklassade dörrar: För dörrar med brandteknisk klass EI/E 60, EI/E 30 eller EI/E15 får enkla elslutbleck inte användas som dörrigenhållande beslag.
Vid tveksamhet när det gäller kombinationen lås/elslutbleck i brandklassade dörrar, kontakta fabrikanten eller läs Boverkets Byggregler BBR 94.3 avsnitt 5:6214.
Fler modeller finns.




